欢迎您登陆‘开原市起重机总厂’企业网站!
 
   开原市起重机总厂始建于1964年,2008年由赵玉久投资重新组建,年产能力300台3800吨,产品销往全国及出口澳大利亚等国。门式起重机,单梁起重机 ,双梁起重机,非标起重机,龙门起重机,防爆起重机

    手机:13358955999。




门桥起重机
单梁起重机
双梁起重机
龙门起重机
防爆起重机
非标起重机
电动双梁桥式起重机

5-10吨吊钩桥式起重机

 

注:1、表中数据为室内起重机用

2、室外起重机总重和输压约增5%

3、H。为大车缓冲器增加的高度H。≤250。

 

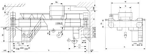
16/3.2-50/10吨吊钩桥式起重机

 注:1、表中数据为室内起重机用

2、室外起重机总重和输压约增5%

3、H。为大车缓冲器增加的高度H。≤250。

 

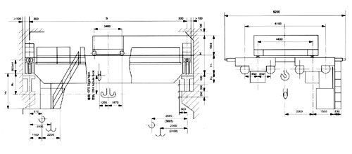
(80/20t)吊钩桥式起重机

 

注:1、括号内尺寸适用于中、重级

2、80/20t为推荐规格,在特殊情况下来用75/20t规格。

 

(100/20t)吊钩桥式起重机 


 5-20吨抓斗桥式起重机 

注:1、进入司机室的走台门向位置为:端面、侧面、顶面

2、起重机包括抓斗自重

3、括号内尺寸为室外起重机

版权所有: 开原市起重机总厂   地 址:辽宁省开原市工业区铁西北街86号    联系电话:024-73715035 024-73614554 024-73715036
手机:13358955999   Email:KYQIZHONGJI@163.COM     辽ICP备10017280号-1   网站制作:大友科技